- 27.04.2026
- График работы в мае 2026
- 06.03.2026
- График работы в марте 2026
- 19.02.2026
- График работы в феврале 2026
- 29.12.2025
- Переход на УПД
- 29.12.2025
- График работы в январе 2026
Предпочтительная форма оплаты:
Тройник редукционный ПВХ 90° 200 х 160 мм Coraplax (7104200)
Увеличить
-
Увеличить
- Coraplax
- Производитель
- 7104200
- Модель
- Испания
- Страна
- 6,12 кг
- Вес
- переходной
- Тип
- 90 градусов
- Исполнение
- клеевое
- Соединение
- 200 мм х 160 мм х 200 мм
- Диаметр подключения
- ПВХ
- Материал изготовления
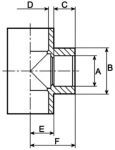
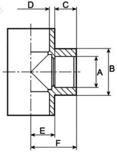
- 200 мм
- D
- 175 мм
- DN
- 160 мм
- A
- 223 мм
- B
- 86 мм
- C
- 120 мм
- E
- 206 мм
- F
-
Доставка до транспортных компаний для дальнейшей отгрузки в регионы осуществляется в течение 3-х рабочих дней после оплаты заказа и поступления денег на расчетный счет. -
Весь товар в Главпулторг сертифицирован и закупается у официальных поставщиков. Это означает, что у наших покупателей официальная гарантия от производителя и качественное обслуживание. -
Бесплатная доставка по Москве или до транспортной компании в пределах МКАД. -
Закажите установку и монтаж оборудования квалифицированными специалистами. -
Качественное сервисное гарантийное и постгарантийное обслуживание оборудования, купленного в Главпулторг. -
Наличный, безналичный расчет, оплата банковскими картами Visa и Mastercard, покупка в кредит.
Тройники Coraplax предназначены для обеспечения одного ответвления от основной магистрали трубопровода. Изготавливаются из ПВХ. Используются при обвязке бассейнов, а также для систем водоснабжения с температурой до 40°C. Легко подходят под любые монтажные схемы, чем чрезвычайно удобны при работе.
Недавно просмотренные товары
2 730 руб.
174 572 руб.
89 697 руб.
607 руб.
7 404 руб.
672 руб.
1 521 руб.
672 руб.
198 руб.
424 руб.
302 руб.
689 руб.
64 332 руб.
683 руб.
26 696 руб.
472 руб.
18 559 руб.
104 руб.
2 252 руб.
64 884 руб.
392 068 руб.
6 324 руб.
491 руб.
62 руб.![]()
Тройник ПВХ 90° переходной 50х20 мм Tecno Plastic (RV0TRI50В)
176 руб.
403 руб.
443 руб.
25 265 руб.
11 353 руб.![]()
Тройник ПВХ 90° переходной 63х25 мм Tecno Plastic (RV0TRI63С)
316 руб.
264 руб.
9 237 руб.
5 570 руб.
1 218 руб.![]()
Тройник ПВХ 90° переходной 50х25 мм Tecno Plastic (RV0TRI50C)
212 руб.
8 622 руб.
29 374 руб.
3 874 руб.
85 400 руб.
8 090 руб.
18 189 руб.
ПВХ пленка Renolit Alkorplan 2000 Adria Blue (синяя), 25х1,65 (35216203)
Цена 2 995 руб.
Робот пылесос для бассейна Dolphin S200 (99996202-RU)
Цена 252 550 руб.
Фильтр песочный 8 м3/ч Gemas Filtrex 450 мм (021111)
Цена 57 132 руб.Цена 35 770 руб.
Скиммер плитка/мозаика Kripsol (SKA)
Цена 7 718 руб.
Осушитель воздуха 4,17 л/ч DanVex DEH-1000wp, 500 м3/ч
Цена 350 000 руб.
Лестница 4 ступени (уз.борт) Bazen Muro AISI-304 (MU-415)
Цена 16 808 руб.
Водопад Кобра 500 из нержавеющей стали AISI-304 Xenozone (ВК.50)
Цена 104 500 руб.
Переливная решетка гибкая Bazen PK 195х35 мм
Цена 2 419 руб.
Решётка переливная Emaux Anti Slip 200 синий (DE2720B)
Цена 4 261 руб.
Цена 41 556 руб.
Электронагреватель 6 кВт Max Dapra D-EWT-N пластик, ТЭН Incoloy, датчик потока (10 02 76)
Цена 36 018 руб.
















Отзывы об этом товаре
Ваш первый отзыв может оказаться очень важным для тысячи пользователей.
Написать отзыв